Sklep Domowe Ognisko

 

   666 282 676   33 816 03 42  biuro@kominki24.org

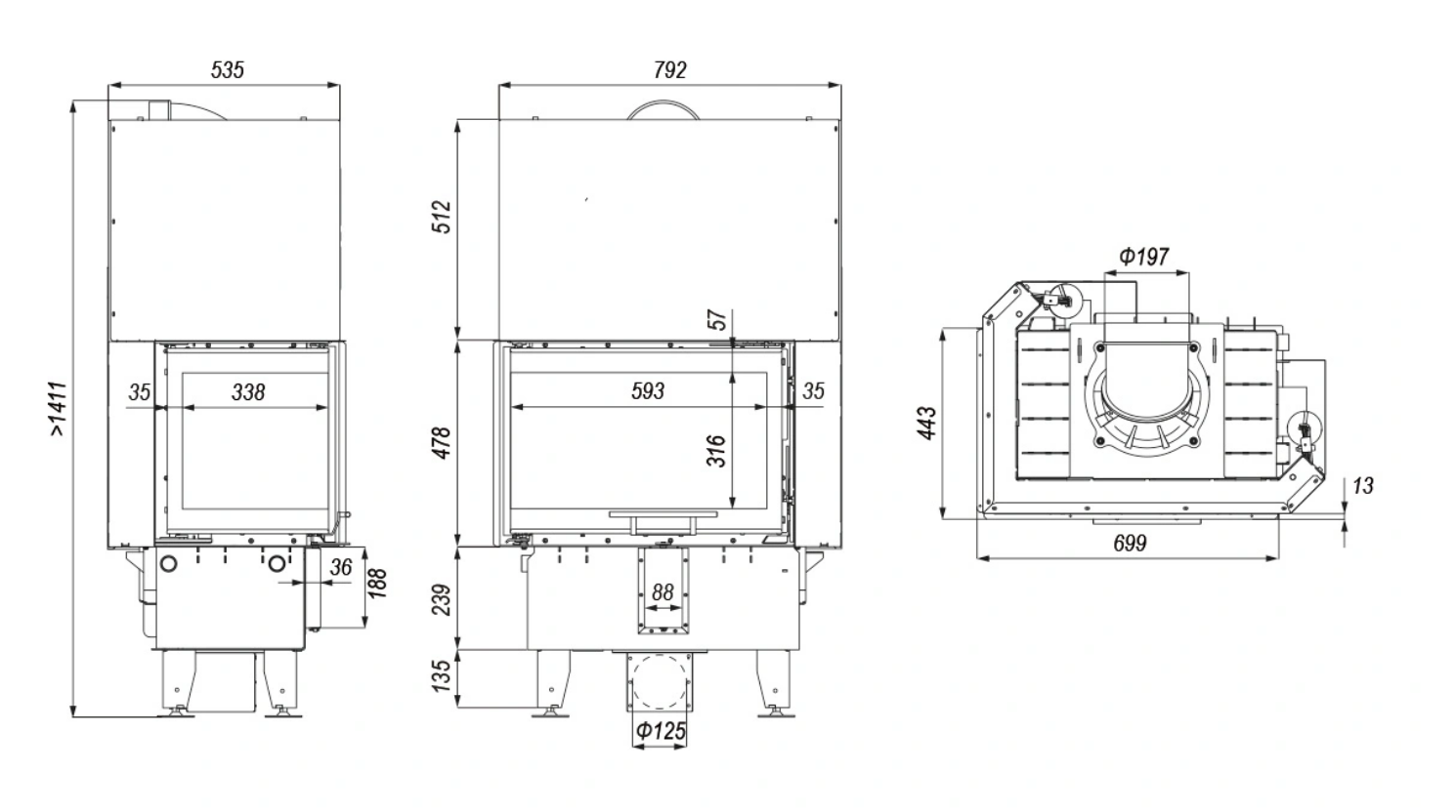
wkład DEFRO HOME INTRA SM BP MINI G

DefroHome

Defro Home Intra SM BP MINI G

Moc nominalna: 10 kW
Zakres mocy: 6- 12 kW
Klasa efektywności energetycznej: A
Średnica czopucha: 200 mm
Sprawność: 80,1%
Temperatura spalin: 267°C
Maksymalna długość polan: 500 mm
Średnica dolotu powietrza: 125 mm
Minimalne pole czynne wlotu: 500 cm²
Minimalne pole czynne wylotu: 700 cm²
Gwarancja: do 12 lat
Masa: 235 kg
Wyposażenie opcjonalne - za dopłatą: • czarny ceramiton • wyjmowany uchwyt do gilotyn • czarna klamka • akumulacja Thermoblock • jasna/ciemna zaślepka popielnika
Dodatkowe informacje: Kominek w wersji OPTI charakteryzuje się obniżonymi wartości mocy oraz stalowym wylotem spalin o średnicy 150 mm.
Zdjęcie Nazwa grupyCena
wkład DEFRO HOME INTRA SM BP MINI G - DEFRO HOME INTRA SM BP MINI G
DEFRO HOME INTRA SM BP MINI G13670.00 zł
wkład DEFRO HOME INTRA SM BP MINI G - DEFRO HOME INTRA SM BP MINI G czarny ceramiton
DEFRO HOME INTRA SM BP MINI G czarny ceramiton13670.00 zł

,