Sklep Domowe Ognisko

 

   666 282 676   33 816 03 42  biuro@kominki24.org

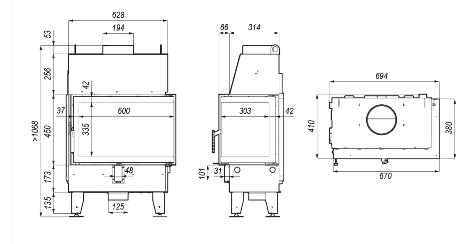
wkład DEFRO HOME IMPULS SM BL

DefroHome

Defro Home Impuls SM BL

Moc nominalna: 9 kW
Zakres mocy: 5,4 - 10,8 kW
Klasa efektywności energetycznej: A
Średnica czopucha: 200 mm
Sprawność: 79,7%
Temperatura spalin: 253°C
Maksymalna długość polan: 500 mm
Średnica dolotu powietrza: 125 mm
Minimalne pole czynne wlotu: 400 cm²
Minimalne pole czynne wylotu: 560 cm²
Gwarancja: do 12 lat
Masa: 143 kg
Wyposażenie opcjonalne - za dopłatą: • czarny ceramiton • klamka po drugiej stronie • blenda stalowa • jasna/ciemna zaślepka popielnika
 
 
Zdjęcie Nazwa grupyCena
wkład DEFRO HOME IMPULS SM BL  - DEFRO IMPULS SM BL
DEFRO IMPULS SM BL 6580.00 zł
wkład DEFRO HOME IMPULS SM BL  - DEFRO IMPULS SM BL czarny ceramiton
DEFRO IMPULS SM BL czarny ceramiton6580.00 zł